Table des matières
Informations
Les modèles "U-phoria UMC404" et "U-phoria UMC404HD" diffèrent par la fréquence d’échantillonnage maximale (respectivement 96 KHz et 192 KHz). Leurs caractéristiques sont similaires aux UMC202(HD) et UMC204(HD).
Fiches produits du constructeur pour :
- UMC 404 : https://www.behringer.com/behringer/product?modelCode=P0AZN
,
- UMC 404 HD : https://www.behringer.com/behringer/product?modelCode=P0BK1
.
Description
L'interface comprend
- 4 entrées combo XLR-Jack TRS symétriques avec préamplis micro Midas
- 4 inserts Jack
- 2 sorties XLR + Jack TRS "Main"
- 4 sorties RCA + Jack TRS "Playback"
- 1 sortie casque
- 1 MIDI In (DIN)
- 1 MIDI Out (DIN)
- 1 port USB 2.0
- 1 connecteur pour alimentation externe (5V - 1A) mais l’interface peut fonctionner sans
Pour les entrées XLR
- 1 bouton d'activation de l'alimentation Phantom 48V (sélectionnable à l'arrière pour les 4 entrées simultanément)
Pour chaque entrée
- 1 réglage de gain
- 1 pad atténuateur
- 1 sélecteur de niveau d'entrée Instrument/Ligne
- 1 led de signal
- 1 led pour le clip
Pour les sorties Main
- 1 réglage "Mix" pour doser la balance entre les entrées et les sources playback 1 & 2
- 1 réglage "Main level" pour la sortie Main
- 1 sélecteur Mono/Stéréo des entrées
Pour la sortie casque
- 1 sélecteur de sources A/B (A = Main, B = Playback 3 & 4)
- 1 réglage autonome de niveau
Autres éléments en façade
- 2 leds pour le MIDI (1 témoin d'événements MIDI en entrée, 1 en sortie)
- 1 led d'activation de l'alimentation Phantom
- 1 led d’alimentation
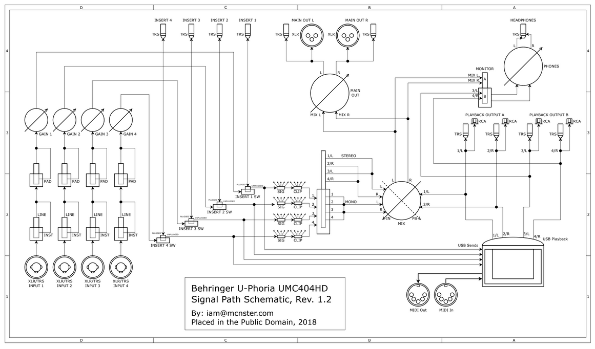
Synoptique
Source https://www.mikrocontroller.net/attachment/496108/umc404hd.pdf
Utilisation
« Class Compliant »
Avec l’UMC404HD
Copy to clipboard
$ cat /proc/asound/cards 1 [U192k ]: USB-Audio - UMC404HD 192k BEHRINGER UMC404HD 192k at usb-0000:00:14.0-2.4, high speed
Copy to clipboard
$ amidi -l Dir Device Name IO hw:1,0,0 UMC404HD 192k MIDI 1
Connexions audio dans QJackCtl
Entrées : capture_1 ... capture_4
Sorties : playback_1 ... playback_4
Remarque
J'ai passé pas mal de temps pour trouver comment activer les captures 3 et 4 qui, sur mon système se retrouve à chaque démarrage dans l'état :
Copy to clipboard
$ amixer -c1 contents ... numid=8,iface=MIXER,name='Mic Capture Switch' ; type=BOOLEAN,access=rw------,values=4 : values=on,on,off,off ...
Il faut activer les capture 3 et 4 soit en utilisant alsamixer, soit en tapant la commande :
Copy to clipboard
$ amixer -c1 cset numid=8,iface=MIXER,name='Mic Capture Switch' on,on,on,on numid=8,iface=MIXER,name='Mic Capture Switch' ; type=BOOLEAN,access=rw------,values=4 : values=on,on,on,on
Liens
- [RETEX] La Behringer U-phoria UMC404HD
- [Résolu] Coupures de son avec BEHRINGER UMC404HD mais pas avec la carte son interne
- Me In The Bath - Génèse d'un disque
- Compatibilité LINUX de Behringer UMC204HD U-Phoria ??
- Me In The Bath - Recycling
- Carte-son Behringer U-Phoria UMC404
- Behringer UMC404 & Ubuntustudio 14.04
- https://github.com/julienmary/umc404hd_setup
[+]